Владельцы автомобилей Ауди С4 наверняка знают, что при запирании дверей используются пневмоактуаторы, которые приводятся в действие компрессором, расположенным под задним сиденьем. Но каким образом он управляется, и что делать, если но не работает? Давайте разбираться..
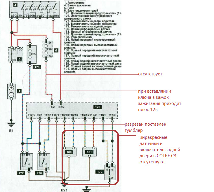
Исходя из схемы ниже отпирание или запирание любой из передних дверей приводит к изменению положения контактов переключателя на замках. На схеме эти переключатели обозначены под номерами: 177 и 178.

Плюс на них приходит параллельно, через предохранитель F 85, и «масса» тоже постоянная. А на компрессор уходят провода по цветам: зелёный с голубой полосой из водительской двери и жолтый с голубой полосой из пассажирской. В зависимости от положения замков дверей компрессор «понимает», в каком положении они находятся по принципу смены полярности. Как это происходит и как проверить работу переключателя замка двери я рассказал на этом видео
Если вы достаточно опытный, то проверить работу переключателя можно непосредственно на разьема компрессора. Для этого нужно просто проверить изменение полярности на вышеуказанных проводах в зависимости от положения замков (открыто/закрыто)
В нашем случае , оказалась неисправна плата управления компрессором. В частности, вздулся один конденсатор, выгорела одна из дорожек платы. Было решено не восстановливать, а приобрести другой с разборки.

вот так компрессор выглядит, когда достанешь его из корпуса. Корпус разбирается легко, достаточно отвести фиксаторы крышки

вот так выглядел наш вздутый конденсатор. Надеюсь, вам не придется столкнуться ни с чем подобным. Всем удачи!