На этой странице сайта представлены все схемы автомобилей семейства КамАЗ начиная с простых 5320 и заканчивая моделями 5490 с двигателями Liebherr и Mercedez
схема подключения панели приборов

Привот муфты вентилятора схема на три положения

Схема системы пуска двигателя автомобиля Камаз 5320
Система освещения Камаз 5320

Система электроснабжения Камаз 5320

Система световой сигнализации Камаз 5320

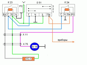
Схема контрольно-измерительных приборов Камаз 5320

Перечень электрооборудования Камаз EURO-1

Схема электрооборудования автомобилей Камаз (EURO-1)

Схема системы пуска Кама3 (EURO-1)

Схема системы электроснабжения автомобиля Камаз (EURO-1)

Схема контрольно-измерительных приборов Камаз (EURO-1)

Система наружного освещения Камаз (EURO-1)

Cистема внутреннего освещения Камаз (EURO-1)

Cхема световой сигнализации Камаз (EURO-1)

Система отопления, стеклоочистки и звуковой сигнализации Камаз (EURO-1)

Перечень электрооборудования Камаз (EURO-2)

Cхема электрооборудования (общая) Камаз (EURO-2)

Система пуска двигателя автомобиля Камаз (EURO-2)

Схема системы энергоснабжения Камаз (EURO-2)

Схема системы контрольно-измерительных приборов Камаз (EURO-2)

Система наружного освещения Камаз (EURO-2)

Система внутреннего освещения Камаз (EURO-2)

Cхема световой сигнализации Камаз (EURO-2)

Система отопления, стеклоочистки и звуковой сигнализации Камаз (EURO-2)

Схема тормозного управления Камаз (EURO-2)

Перечень электрооборудования Камаз EURO-3

Cхема электрооборудования (общая) Камаз EURO-3 с комбинацией приборов «Аметек»

Схема электрооборудования (общая) Камаз (EURO-3) с комбинацией приборов «Элара»

Система пуска двигателя Камаз EURO-3


Система энергоснабжения Камаз EURO-3


Схема контрольно-измерительных приборов Камаз EURO-3


Система наружного освещения Камаз EURO-3


Система внутреннего освещения Камаз EURO-3

Система стеклоочистки, отопления и звуковой сигнализации Камаз EURO-3

Система управления двигателем CUMMINS




Система управления двигателем COMMON RAIL BOSCH EDC-7






Схемы электрооборудования КамАЗ 5490 и 65208


























