
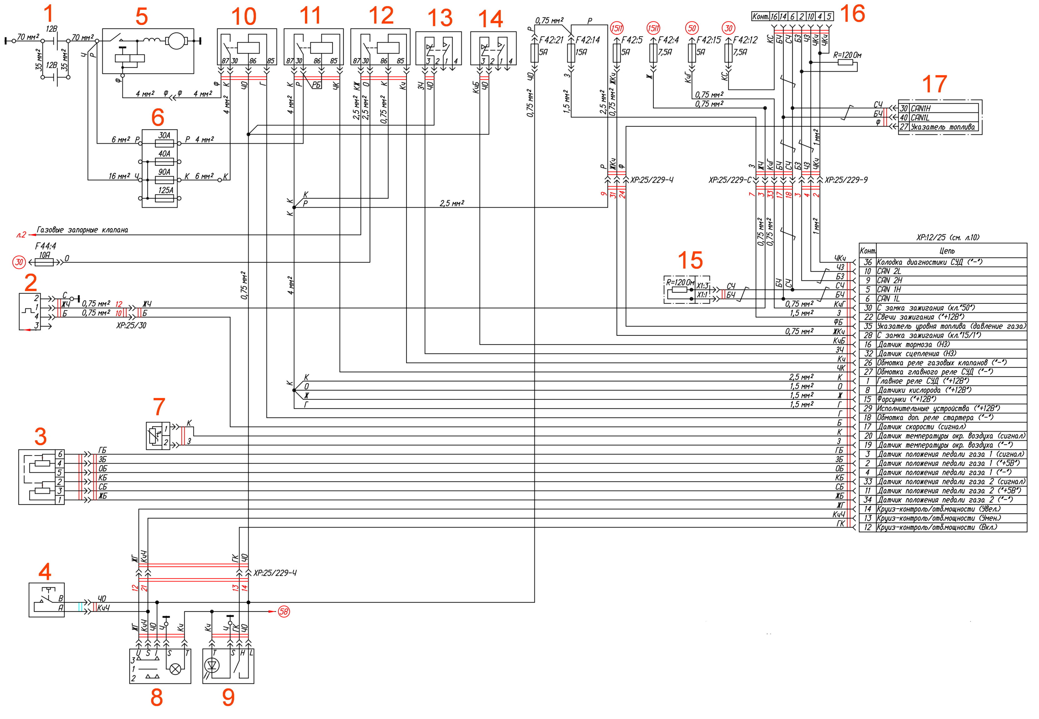
1 – аккумуляторные батареи; 2 – датчик скорости; 3 – датчик педали газа; 4 – кнопка (уменьшение) «Круиз-контроль»/«Отбор мощности»; 5 – стартер; 6 – блок предохранителей силовой; 7 – датчик температуры окружающего воздуха; 8 – переключатель «Круиз-контроль»/«Отбор мощности»; 9 – клавиша включения «Круиз-контроль»/«Отбор мощности»; 10 – дополнительное реле стартера; 11 – главное реле СУД; 12 – реле газовых клапанов; 13 – датчик сцепления; 14 – датчик торможения; 15 – блок управления АБС»; 16 – колодка диагностики; 17 – комбинация приборов; ХР:12/25 – колодка соединения жгута 12 (по двигателю) со жгутом 25 (по кабине); ХР:25/229-С – колодка соединения жгута 25 (по кабине) со жгутом 229 (по панели) серого цвета; ХР:25/229-Ч – колодка соединения жгута 25 (по кабине) со жгутом 229 (по панели) чёрного цвета; ХР:25/229-9 – колодка соединения жгута 25 (по кабине) со жгутом 229 (по панели) 9-ти контактная; ; ХР:25/30 – колодка соединения жгута 25 (по кабине) со жгутом 30 (по раме).
под капотом:

1 – блок управления двигателем; 2 – датчик давления газа в баллонах; 3 – датчик температуры воздуха; 4 – датчик дифференциального давления; 5 – дроссельная заслонка; 6 – форсунка CNG1; 7 – форсунка CNG2; 8 – форсунка CNG3; 9 – форсунка CNG4; 10 – датчик давления и температуры масла; 11 – датчик давления и температуры воздуха перед заслонкой; 12 – датчик положения заслонки рециркуляции; 13 – свеча зажигания 1; 14 – свеча зажигания 2; 15 – свеча зажигания 3; 16 – свеча зажигания 4; 17– датчик давления и температуры газа в рейле; 18 – датчик числа оборотов коленчатого вала; 19 – датчик числа оборотов распределительного вала; 20 – датчик детонации; 21 – датчик температуры охлаждающей жидкости; 22 – датчик давления воздуха; 23 – запорный клапан редуктора; 24 – датчик кислорода 2; 25 – датчик температуры ОГ; 26 – датчик кислорода 1; 27 – перепускной клапан ТКР; 28 – клапан ТКР; 29 – клапан рециркуляции; 30 – нагреватель воздуха 1.6 кВт; 31 – реле нагревателя воздуха; ХР:12/25 – колодка соединения жгута 12 (по двигателю) со жгутом 25 (по кабине); ХР:12/30 – колодка соединения жгута 12 (по двигателю) со жгутом 30 (по раме).