На двигателях с механическим регулированием подачей топлива водитель, изменяя положение педали акселератора, через механический привод воздействует на положение рейки ТНВД и изменяет рабочие режимы двигателя. На двигателях с электронной системой управления электрический сигнал, образующийся на потенциометре педали акселератора, информирует ЭБУ о том, как сильно водитель нажал на педаль, другими словами — об увеличении крутящего момента. Датчик положения педали акселератора регистрирует перемещение педали или изменение угла ее положения и передает соответствующий сигнал в ЭБУ. Педальный модуль — единое устройство, состоящее из педали акселератора и двух датчиков ее перемещения.
УСТРОЙСТВО И ПРИНЦИП ДЕЙСТВИЯ Важнейшая составная часть датчика — потенциометр, с которого снимается напряжение, зависящее от положения педали акселератора. Загруженная в ЭБУ характеристика датчика преобразует это напряжение в относительное перемещение или величину угла положения педали в процентах.
С целью облегчения диагностики и на случай повреждения основного датчика существует резервный (дублирующий) датчик — составная часть системы контроля.
Второй потенциометр выдает на всех рабочих режимах половину напряжения первого, чтобы можно было получить два независимых сигнала для выявления возможной неисправности.
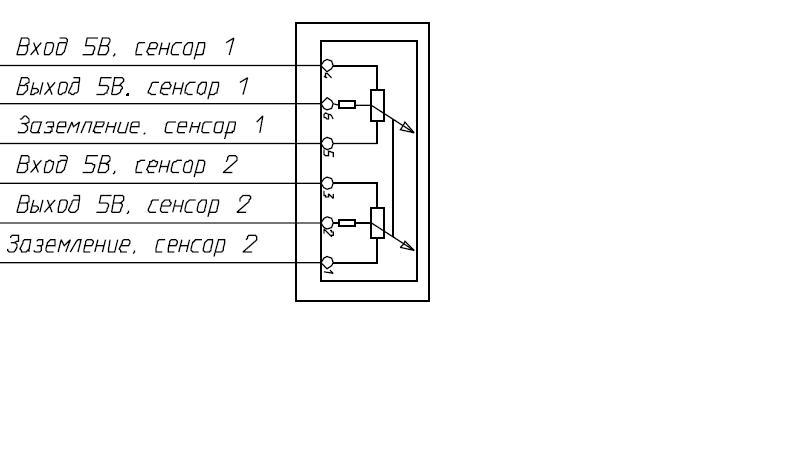
КОНФИГУРАЦИЯ РАЗЪЁМА
Педальный модуль устанавливается заводом-изготовителем транспортного средства, поэтому на каждом ТС его конструкция может быть различной. В связи с этим, нумерация контактов датчика перемещения педали может также различаться, поэтому ниже, на рисунке 40, приводится схема подключения контактов без указания их нумерации.

• (провод 1.77) – ЭБУ контакт 1.77 питание датчика 1 (+5 В);
• (провод 1.79) – ЭБУ контакт 1.79 выходной сигнал датчика 1;
• (провод 1.78) – ЭБУ контакт 1.78 масса датчика 1;
• (провод 1.84) – ЭБУ контакт 1.84 питание датчика 2 (+5 В);
• (провод 1.80) – ЭБУ контакт 1.80 выходной сигнал датчика 2;
• (провод 1.76) – ЭБУ контакт 1.76 масса датчика 2
ОТКАЗ ДАТЧИКА ПОЛОЖЕНИЯ ПЕДАЛИ АКСЕЛЕРАТОРА
При отказе датчика положения педали акселератора ЭБУ сигнализирует об ошибке посредством диагностической лампы. Двигатель перестает реагировать на положение педали акселератора. Частота вращения коленчатого вала устанавливается равной 1000 мин-1. Крутящий момент в этой точке не ограничивается, ТС может двигаться с небольшой скоростью.