Как правило схема включения фонарей заднего хода на большинстве автомобилей отечественного производства очень простая. Через предохранитель подаётся «плюс» на один из контактов выключателя, которые находится на коробке передач и далее провод следует сразу на задние фонари.
Однако, производитель автомобилей МАЗ зачем-то решили усложнить её и добавить реле, которое, служит для защиты контактов выключателя. Спорный вопрос о том, насколько его целесообразность оправдана, но мы изменить всё равно ничего не сможем, поэтому рассмотрим основные уязвимые места данной цепи.
Реле и предохранитель проверить нужно в первую очередь. На автомобилях МАЗ монтажные блоки бывают абсолютно разными по типу. Соответственно нужно будет искать информацию о расположении реле и предохранителей именно для блока установленного на ваш автомобиль.
Что касается выключателя, то он расположен чуть ниже «кулисы» рычага управления передачи. (как на фото ниже)

здесь, двухконтактный включатель с разъемом «байонет», провода к нему не подключены. На одном из контактов должна быть постоянно «масса» автомобилей. Точка подключения минусового контакта находится здесь же на коробке передач, наверху ( три провода с коричневой изоляцией)

как видно на фото, один из проводов выскочил из соединения, соответственно, фонари заднего хода работать не будут, пока он не вернётся на место.
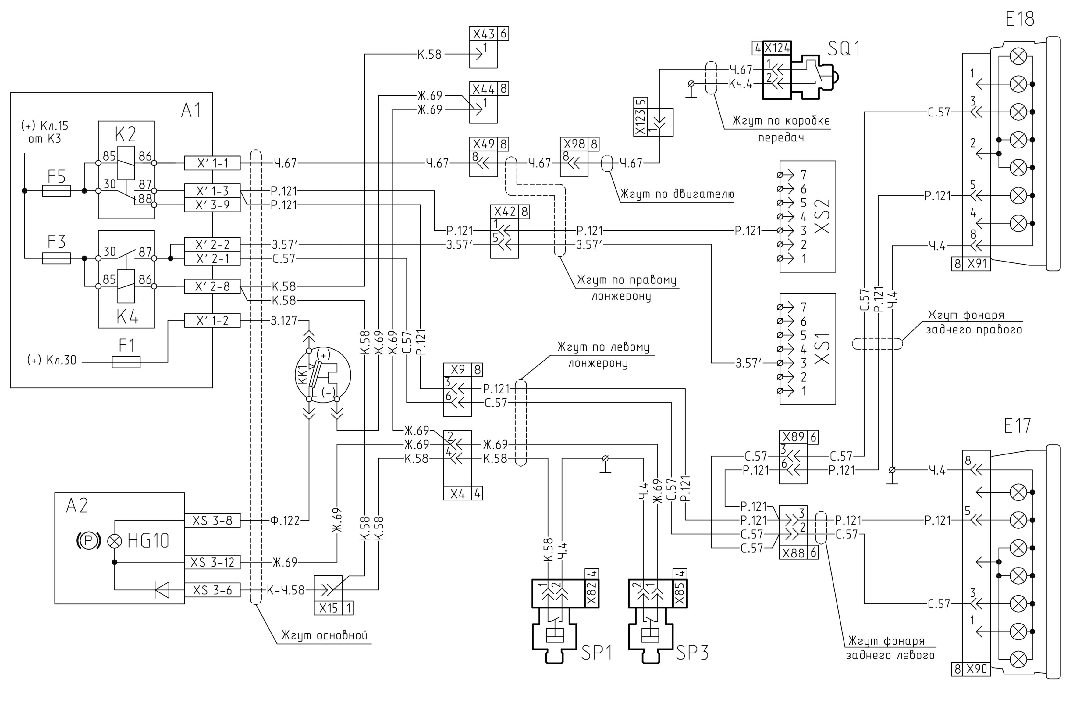
для примера можно рассмотреть схему включения фонарей заднего хода на автомобиле МАЗ 551605
условные обозначения : SQ1 — включатель ламп заднего хода; А1 — монтажный блок предохранителей; К2 — реле заднего хода;

для информации : два других коричневых провода — это «масса» схемы клапана включения делителя передач и его датчика. Удачи вам!