сегодня

Алексей10:49
- Иномарками занимаетесь?

Алексей11:01
- Не работает стеклоподъемник рав 4 2004 год. Сможете починить?

Алексей11:30
- стеклоподьемник на какой двери? водительской или пассажирской?

Алексей12:43
- Водительская. Блок кнопок менял,не помогло

Алексей13:56
- пока напрашивается вывод, что моторчик, но я посмотрю схему и скажу точнее

Алексей13:56
- Ок

Алексей17:45
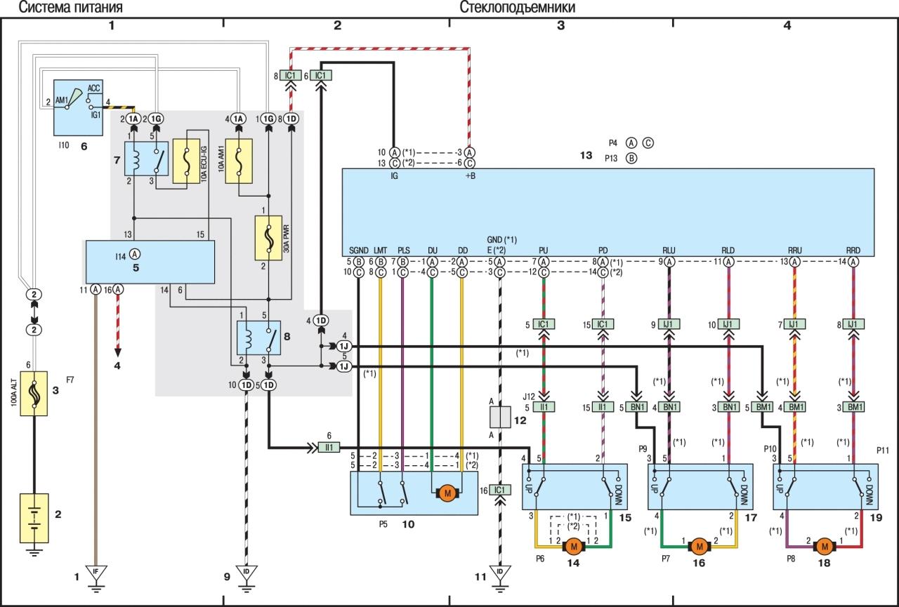
- Ваш неисправный эл. двигатель стеклоподьемника обозначен по схеме номером 10. Как видно, с блока управления на него приходят напрямую безо всяких соединительных разъемов два провода: желтый и зеленый. Вам нужно будет снять обшивку двери отсоединить штекер моторчика и проверить контрольной лампочкой напряжение на этих проводах в момент нажатия кнопок на подъем или опускание. Полярность значения не имеет. Если питание есть, то моторедуктор подъемника заменить. Если питания нет, то провода нужно проверить, раз Вы говорите, что блок с кнопками меняли. Хотя… скорее всего с проводами все должно быть в порядке, они ведь напрямую проложены к моторчику, без всяких изгибов и заломов, как для других дверей.
