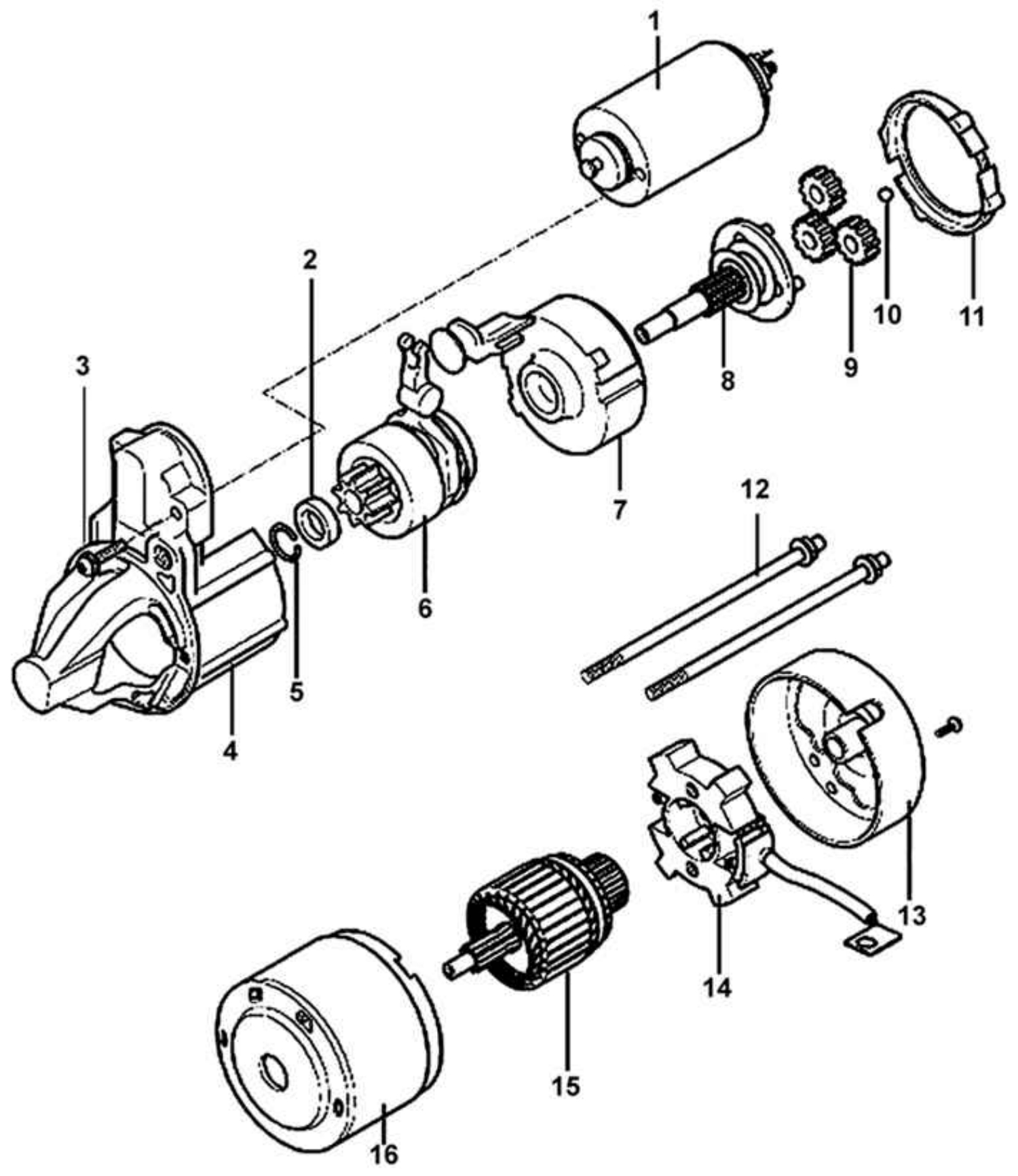
осхемы хундай соната
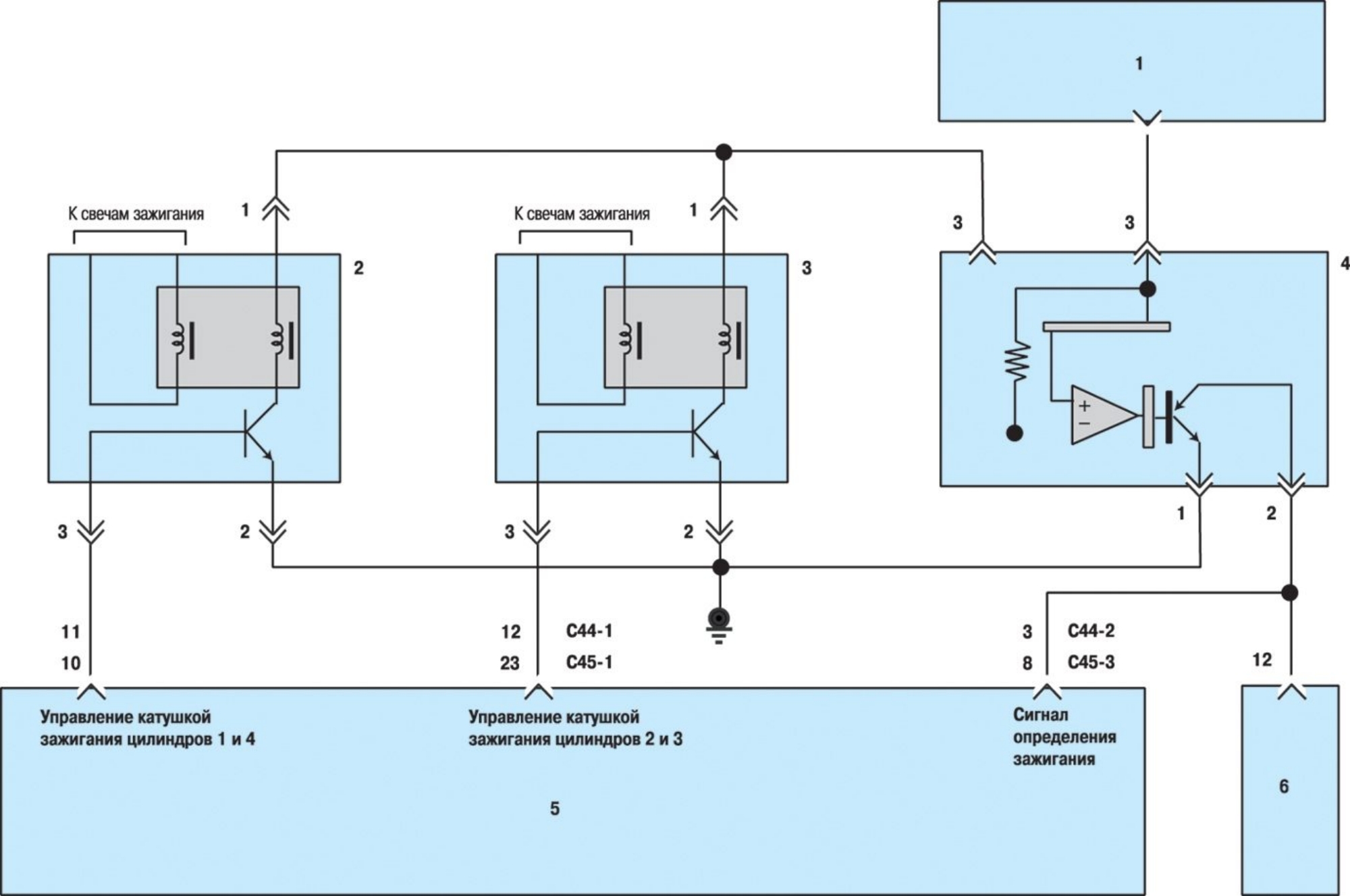
Расположение реле и предохранителей Хундай Соната.
Рубрики:
Related Post
Предохранители и реле Saab 9-5Предохранители и реле Saab 9-5
автомобили Saab 9-5 1997, 1998, 1999, 2000, 2001, 2002, 2003, 2004, 2005, 2006, 2007, 2008, 2009, 2010, 2011 года выпуска. Схема расположения предохранителей и реле в блоке под капотом. для
Предохранители и реле Kia Picanto 1Предохранители и реле Kia Picanto 1
автомобили 2004, 2005, 2006, 2007, 2008, 2009, 2010 года выпуска. Блок предохранителей в моторном отсеке киа пиканто. Расположение. Цифра 5 на изображении. Для доступа к предохранителям отожмите фиксаторы и потяните
Предохранители и реле Lexus GX470Предохранители и реле Lexus GX470
автомобили Lexus GX470 2002, 2003, 2004, 2005, 2006, 2007, 2008, 2009 года выпуска. Расположение блока предохранителей в моторном отсеке. Схема расположения предохранителей в блоке под капотом Lexus GX470. Расшифровка. Предохранитель Номинал