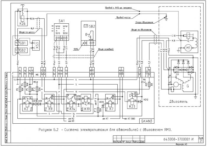
Назначение реле разгрузки стартера и приборов маз 6430
SA1 — замок зажигания;
SB2 — дистанционный включатель «массы»;
К2- реле разгрузки стартера и приборов;
К4 — реле разгрузки стартера и приборов;
К7 — реле разгрузки стартера и приборов;
К14 — реле задержки времени отключения АКБ;
К19 — реле дистанционного включателя «массы»;
К23 — реле включения стартера;
К26 — включатель «массы» АКБ;

Как-то на одном из сайтов «опросников наткнулся на определение реле разгрузки стартера. В той статье объяснялось, что реле разгрузки клеммы «15» замка зажигания служит для того, чтобы на время прокрутки стартером отключались некоторые мощные потребители. Например, электродвигатель отопителя и стеклоочистителя, фары и автономный подогреватель охлаждающей жидкости. И действительно, на некоторых автомобилях такой вариант используется для того, чтобы «львиная доля» электродвижущей силы аккумуляторной батареи расходовалась на работу стартера. Однако, пусть вас не вводит заблуждение название некоторых реле, которые звучат как»реле разгрузки чего либо…» Например, автомобили семейства Маз 6430 как видно на схеме тоже имеют аж несколько промежуточных (!) реле, имеющих название взятое из руководства по ремонту — «реле разгрузки стартера и приборов». Но если рассмотреть схему, то эти реле всего лишь снимают нагрузку с контактов замка зажигания, никак не влияя на коэффициент полезного действия стартера. Надо сказать, что любой электрик знает о том, что назначение любого реле как раз и состоит в том, чтобы сохранить контакты включателя, снимая с него основную нагрузку. Зачем производители в технической документации «напускают туман» — мне лично — не понятно… Кроме того, почему-то реле называются промежуточными, хотя специалиста и так понятно, что реле находится между включателем и потребителем. Вот так, простая схема может быть вызвать множество вопросов если её описание будет написано без соблюдения общепринятых правил…