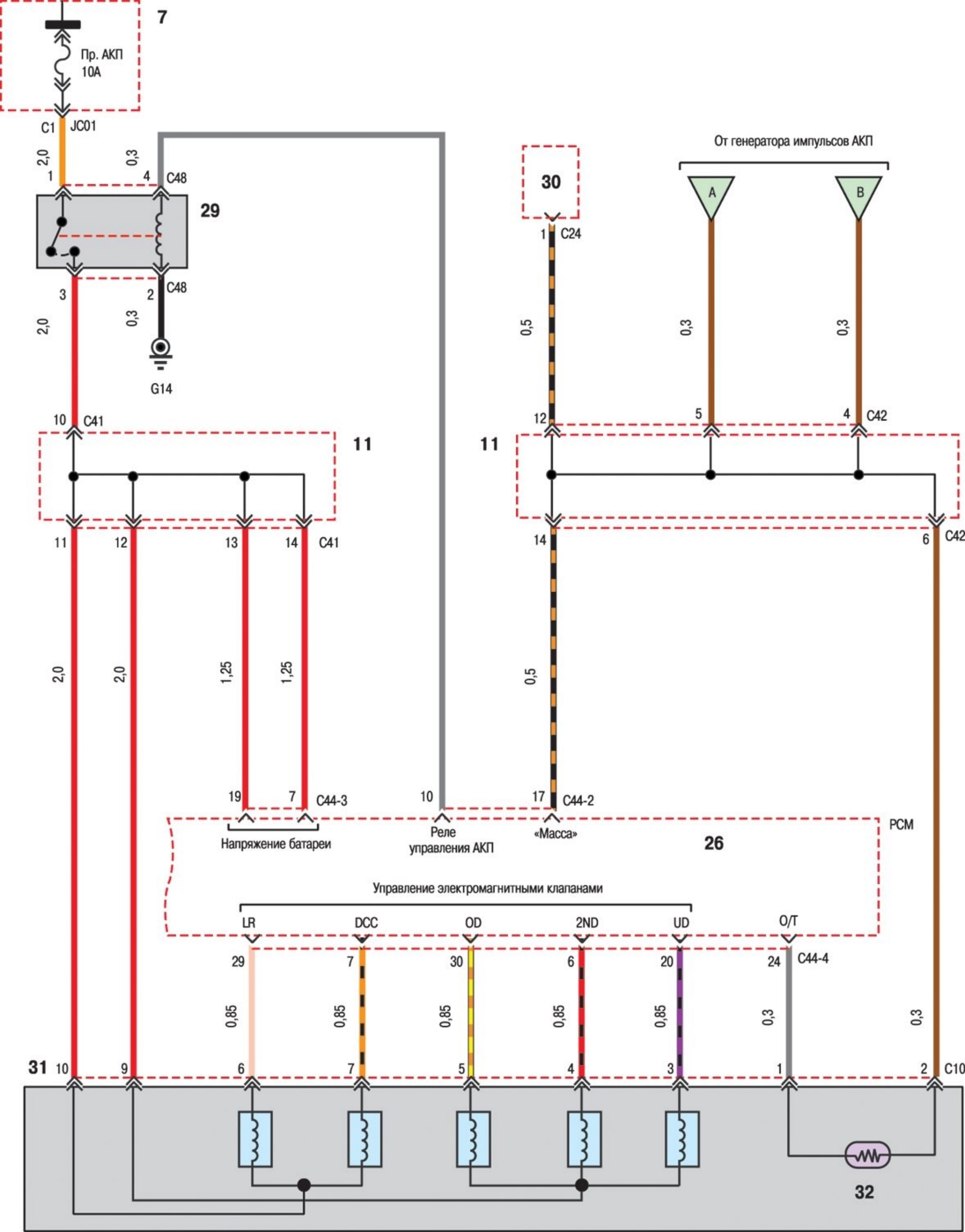
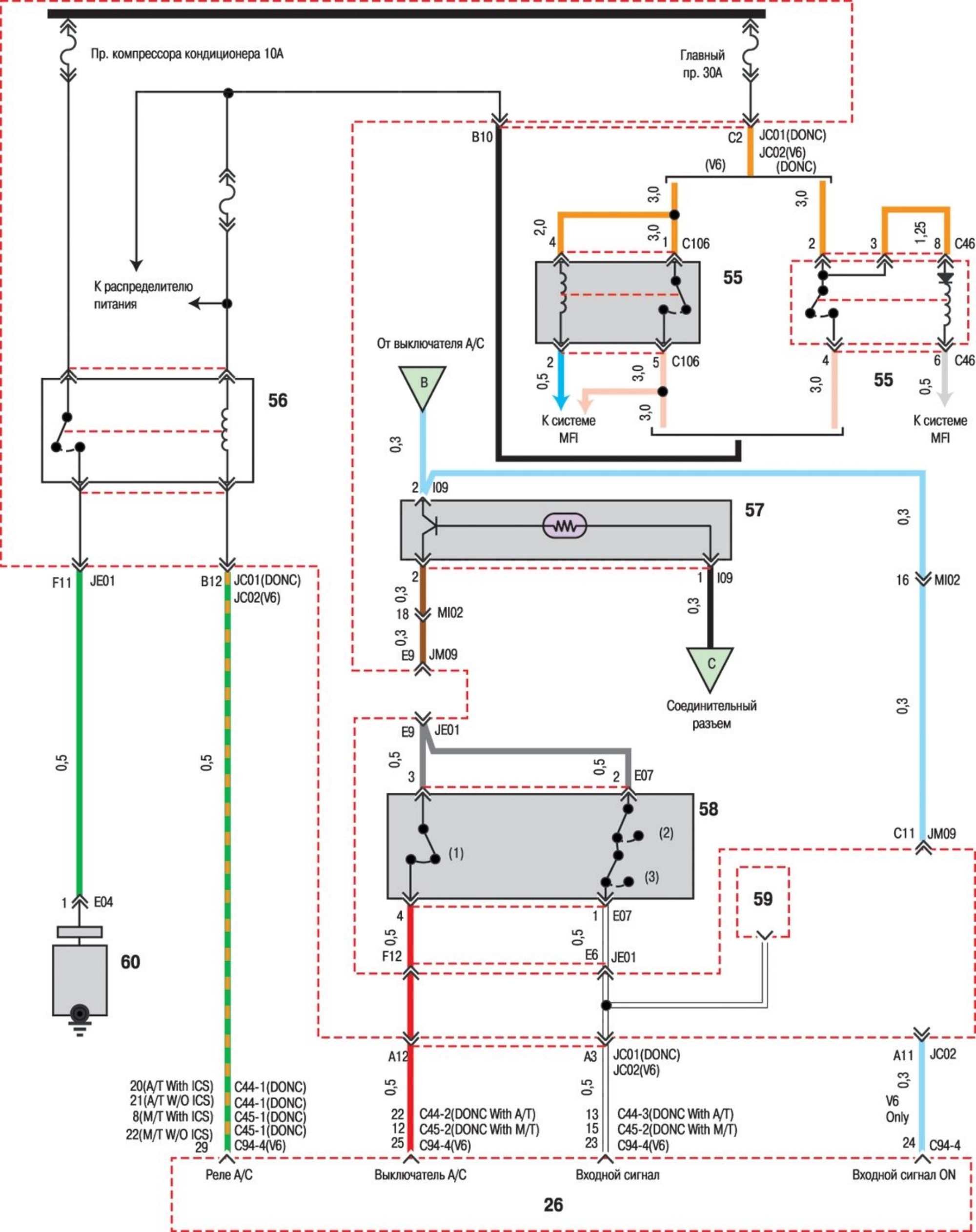
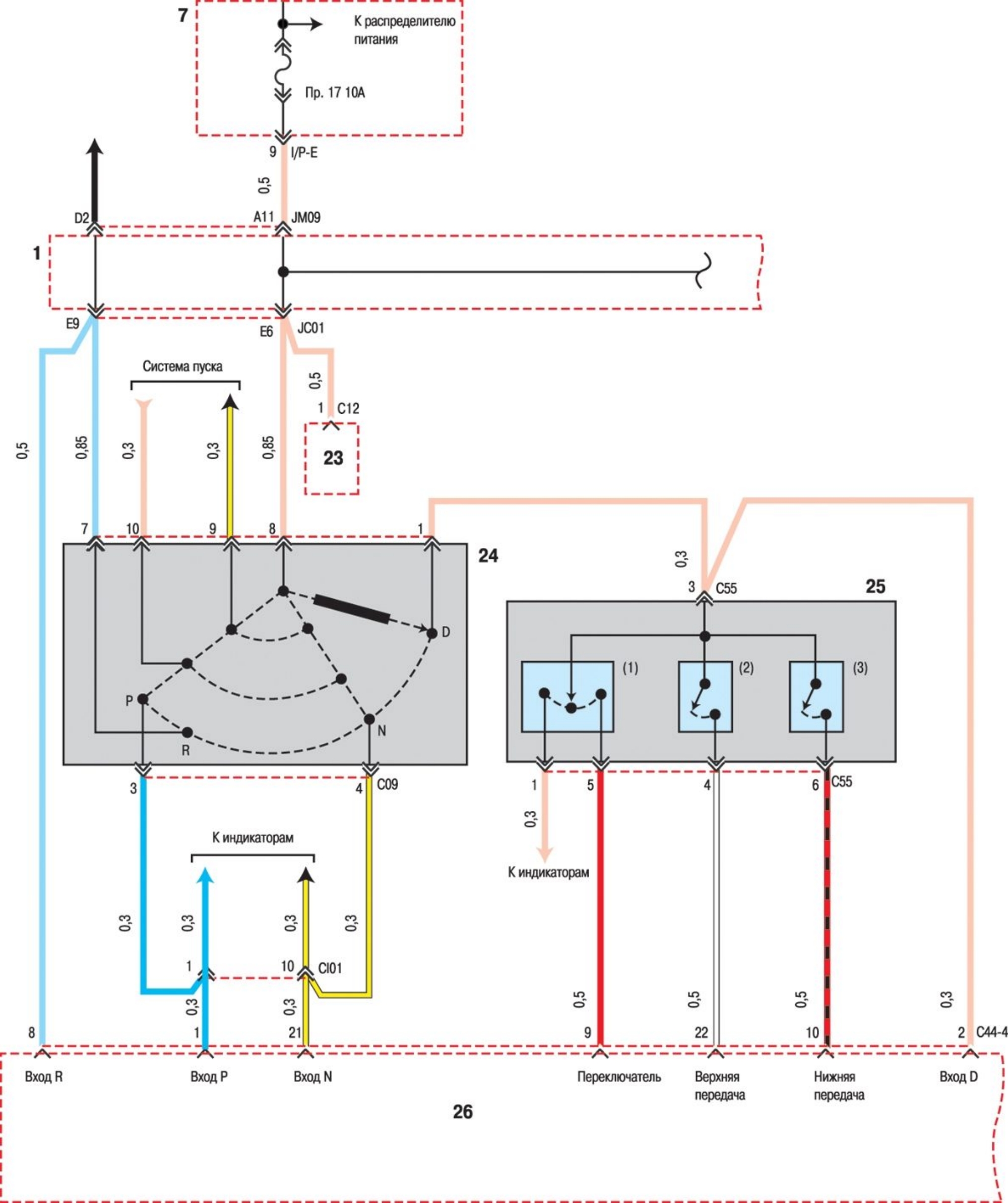
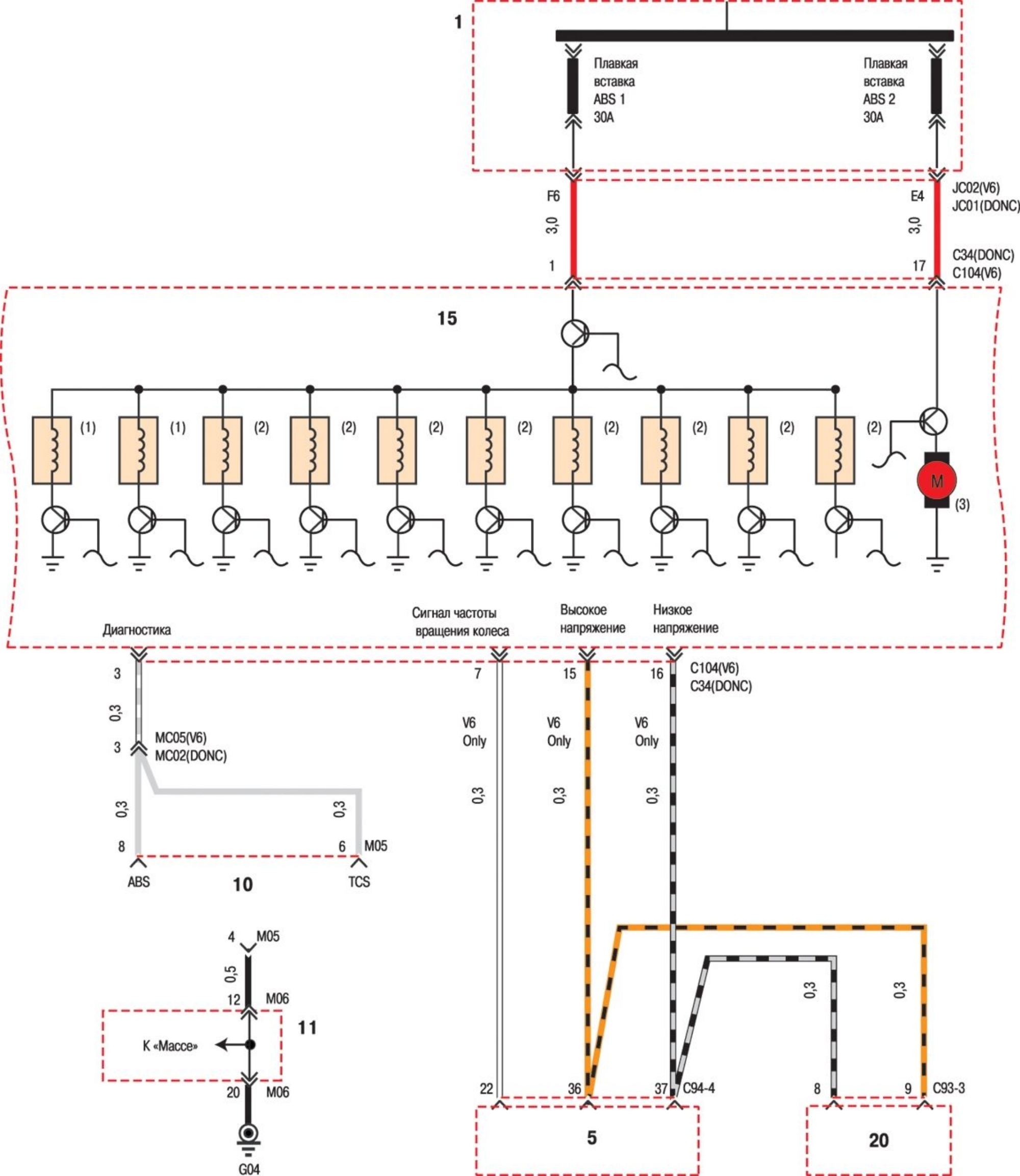
Voyager-77 СХЕМЫ ЭЛЕКТРООБОРУДОВАНИЯ Схемы электрооборудования Хундай Соната

Схемы электрооборудования Хундай Соната

604

 

601

596

593

586

507

506

505

504

503

501

500

499

498

497

496

495

494

492

459

Оставить ответ

Related Post

Схемы электрооборудования Daewoo NexiaСхемы электрооборудования Daewoo Nexia

  Расположение предохранителей и реле    Электрические предохранители НОМЕР. ПРЕД. НОМ. ТОК, А ЗАЩИЩАЕМЫЕ ЦЕПИ 1 10 ЭБУ двигателем, БУ трансмиссии 2 10 Стояночные фонари 3 10 Надувная подушка безопасности

Электрические схемы Ауди 100Электрические схемы Ауди 100

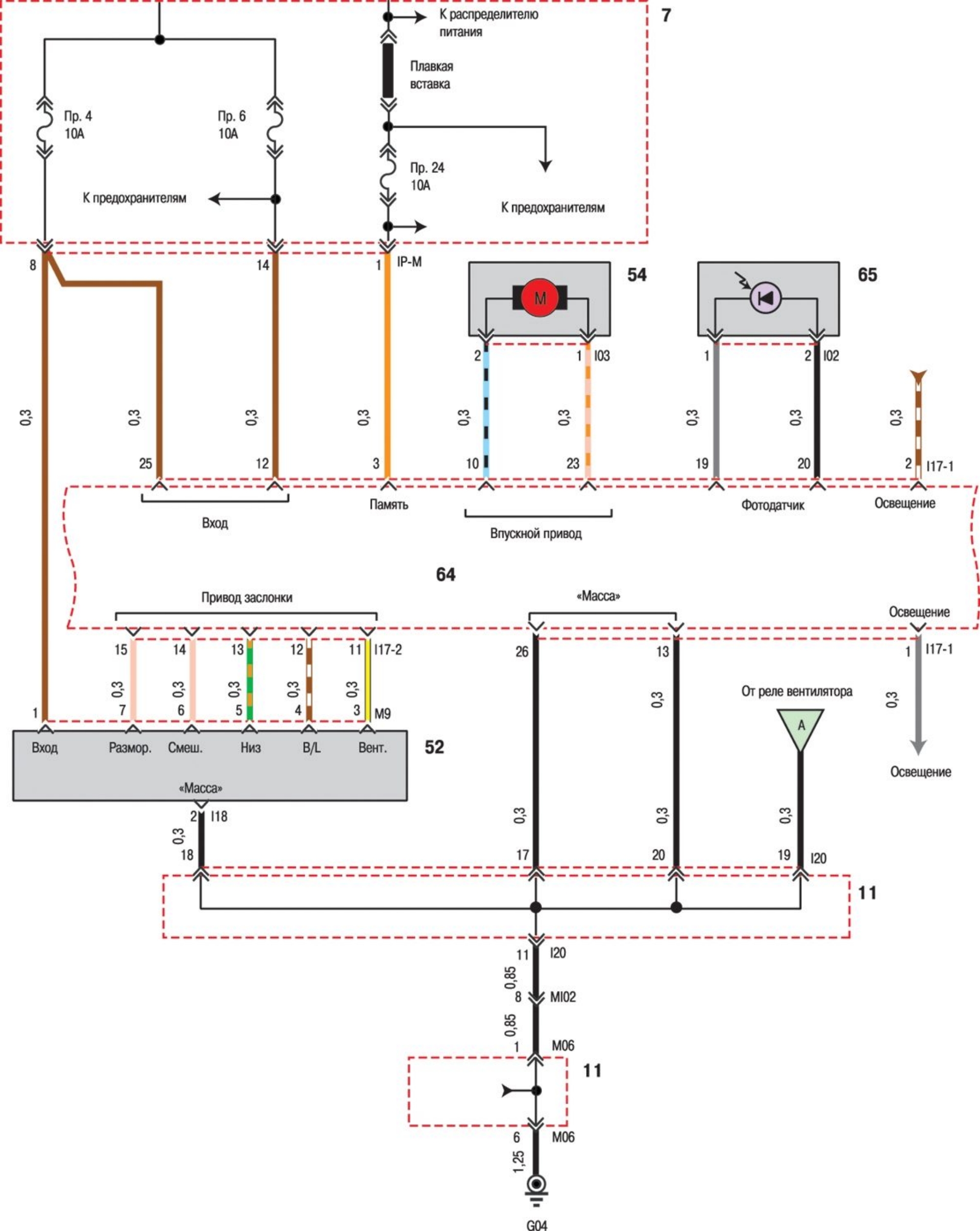
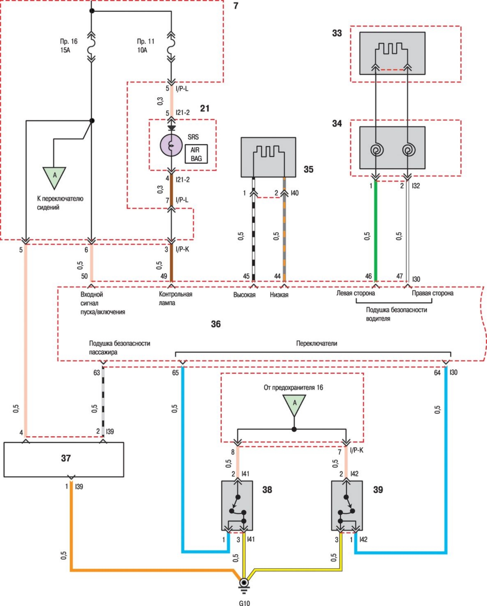
12.3.1. Пояснение к электросхемам ОБЩИЕ СВЕДЕНИЯ Большинство потребителей электроэнергии соединяются с «массой» проводами коричневого цвета. Для правильного подключения приборов электрооборудования их контакты пронумерованы. Для удобства пользования все электрические цепи на

Схемы электрооборудования Renault Logan.Схемы электрооборудования Renault Logan.

     Цепь зарядки аккумуляторной батареи. Схема 1. Цепь зарядки аккумуляторной батареи: 1 – стартер; 2 – генератор; 3 – разъем электропроводки моторного отсека/салона (моноблок); 4 – комбинация приборов.