
реле звукового сигнала Nissan Navara
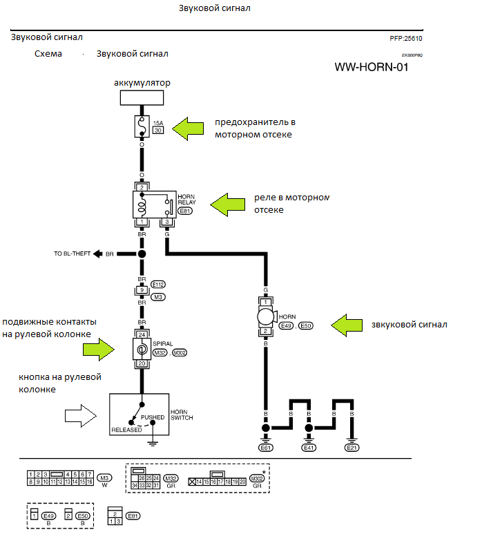
Предохранители и реле звукового сигнала на Ниссан Наварра находятся в моторном отсеке и маркируются на англ. языке словом HORN. На крышке монтажного блока можно найти схему расположения предохранителя. Реле находится в соседнем блоке на фото отмечено стрелкой. Если на разъеме реле перемкнуть контакы «2» и «3», то можно определить исправен ли сигнал и провод к нему. Если сигнал сработает, то проблема в самом реле или проводке от рулевой колонки до реле. Проверить проводку и кнопу на руле можно, если подсоединить один вывод контрольной лампы к «плюсу» аккумулятора, а второй конец к разъму «1» идущему к реле. При нажатой кнопке лампочка должна гореть.
