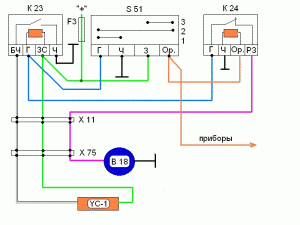
Условные обозначения:
К23 — реле включения электропривода вентилятора;
К24 — реле отключения датчика температуры;
S 51 — клавиша переключатель режимов;
В 18 — датчик-включатель вентилятора;
Х 11 — соединительный разъем под облицовкой кабины;
Х 75 — соединительный разъем к двигателю автомобиля;
YC-1 — электромагнит привода включения муфты вентилятора;
Основным элементом схемы электрического привода муфты вентилятора автомобилей КамАЗ является электромагнит YC-1 (см. схему) на который постоянно подается положительный потенциал 24 В. Включение электромагнита, происходит после подключения «массы» через реле К23. Привод вентилятора имеет три режима работы:
- Принудительное включение.
- Автоматический режим. Включение происходит после срабатывания датчика температуры В 18.
- Отключение электропривода.
Управляется привод клавишей на панели в кабине. Клавиша S 51 имеет три положения. При включении режима принудительной работы вентилятора срабатывает реле К 23, которое управляет «массой» электромагнита муфты. Обратите внимание, что такая схема будет работать, если только и у реле, и у клавиши включения соединение черного провода с корпусом кабины в порядке.
Когда клавиша установлена в положение «2» включением электромагнита вентилятора управляет датчик температуры В 18, который также включает реле К 23 и подключает «массу» привода. Надо сказать, что называть включатель В 18 датчиком не совсем правильно, потому что это включатель, который срабатывает при достижении охлаждающей жидкостью определенной температуры. На корпус включателя наносится соответствующая маркировка со значением температуры срабатывания. Проверить его легко, надо лишь установить клавишу во второе положение, убедиться, что один из подключаемых проводов имеет контакт с кузовом и соединить оба провода между собой. Если система в порядке, вы услышите характерный щелчок срабатывания электромагнита.
В третьем положении контакты реле К 24 размыкаются и муфта привода вентилятора отключена. Обратите внимание, что на схеме контакты одного реле нормально разомкнуты, а второго – замкнуты.
Надо сказать, что трехрежимная схема управления муфтой вентилятора использовалась на автомобилях семейства КамАЗ класса евро 2 и 3. На последних моделях класса евро 4 можно встретить простейшую схему без реле, когда электромагнитом управляет только датчик температуры. Поэтому при достижении определенного значения температуры охлаждающей жидкости вентилятор будет работать постоянно. Отключить его можно, только подняв кабину и убрав один из разъемов с датчика. Имейте это ввиду, потому что при преодолении водной преграды, пластиковый вентилятор может разлететься на куски от удара по воде. Мало того, разбитый вентилятор может также «покалечить» и радиатор, такие случаи уже были. Будьте внимательны и удачи Вам!
